What Is a Medium Voltage Potential Transformer?
We define a medium voltage potential transformer (often referred to as a medium voltage VT or PT) as the critical interface between high-voltage power lines and low-voltage control equipment. In essence, these are precision instrument transformers designed to step down dangerous grid voltages to safe, manageable levels for metering and protective relaying. Whether you are managing a utility substation or an industrial facility, the PT is the component that ensures your meters read accurately and your relays trip exactly when they should.
Understanding the Basics of MV PTs and VTs
The terms “Potential Transformer” (PT) and “Voltage Transformer” (VT) are often used interchangeably in the industry. Regardless of the terminology, the function remains the same: isolation and transformation. A medium voltage instrument transformer serves two primary purposes:
1. Voltage Reduction: It scales down high primary voltages (like 11kV or 33kV) to a standardized secondary voltage (typically 100V, 110V, or 120V).
2. Electrical Isolation: It provides a safety barrier, isolating the secondary metering circuits from the high-voltage power system to protect personnel and sensitive equipment.
How Electromagnetic Induction Works
Our transformers operate on the principle of electromagnetic induction. When high voltage is applied to the primary winding, it creates a magnetic flux in the core, which then induces a proportional voltage in the secondary winding. To ensure high accuracy and durability, we focus on the quality of the core and winding materials.
Primary Winding: Consists of a large number of turns connected directly to the high-voltage power line.
Secondary Winding: Features fewer turns and connects to your meters, relays, or other control devices.
Magnetic Core: We use high-grade silicon steel to minimize hysteresis loss and ensure the medium voltage VT operates efficiently.
Step-Down Ratios: Converting 3.3kV–36kV to 110V
The core value of a PT lies in its ratio. In medium voltage applications, we typically manufacture units handling input ranges from 3.3kV up to 36kV. For example, an 11kV potential transformer or a 33kV voltage transformer will take that respective high voltage and step it down to a standard output.
Common Voltage Ratios:
Primary Inputs: 3.3kV, 6.6kV, 11kV, 24kV, 33kV, 36kV.
Secondary Outputs: 100V, 110V, 120V (or 100/√3, 110/√3 for line-to-ground applications).
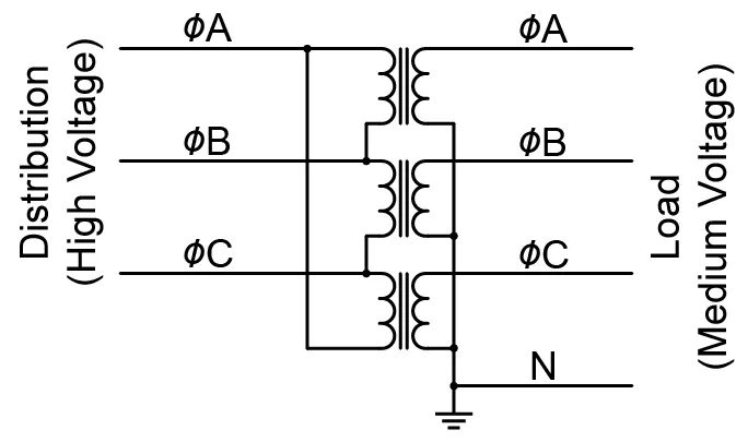
Single-Phase vs. Three-Phase Configurations
Selecting the right configuration depends heavily on your system architecture.
Single-Phase Potential Transformers: These are versatile units often used in sets of two or three. They are ideal for measuring line-to-ground voltages or for open-delta connections to detect earth faults.
Three-Phase Potential Transformers: A three-phase potential transformer combines the windings onto a single multi-limb core (often 3-limb or 5-limb). This compact design reduces the footprint inside switchgear cabinets, making it a preferred choice for space-constrained indoor substations.
Why Choose Cast Resin Potential Transformers?
The industry is aggressively shifting away from messy oil-filled units, and for good reason. We engineer our medium voltage potential transformer lineup using advanced epoxy resin casting because it solves the biggest headache in grid management: maintenance. A dry-type instrument transformer eliminates the risk of oil leakage and requires zero gas monitoring, offering a true “install and forget” solution for utility and industrial operators.
Superior Durability and Safety
Our epoxy resin voltage transformer designs are built to handle the diverse environments found across the United States. Whether installed in a humid coastal facility or a dry desert plant, the solid insulation blocks out moisture and resists UV degradation. Safety is also a primary factor; unlike oil-insulated models, our cast resin units are non-flammable and feature extremely low partial discharge (≤10pC), preventing internal breakdown and fire hazards.
Compact Integration
Space is often at a premium in modern electrical infrastructure. The solid-cast design allows for a significantly smaller footprint, making these transformers ideal for integration into crowded switchgear or a prefabricated substation cabin where every inch counts.
Comparison: Cast Resin vs. Oil-Filled
| Feature | Cast Resin (Dry-Type) | Oil-Filled |
|---|---|---|
| Maintenance | None Required | Regular oil sampling & refill |
| Fire Safety | Self-Extinguishing | High Flammability Risk |
| Pollution Resistance | High (Hydrophobic) | Vulnerable to leaks |
| Installation Flexibility | Any Orientation | Upright Only |
Technical Specifications and Accuracy Classes
When specifying a medium voltage potential transformer, getting the numbers right is critical for both safety and revenue. We design our units to handle the specific demands of modern grids, ranging from standard 11kV potential transformer configurations to higher-capacity 33kV voltage transformer models. Our engineering team customizes voltage ratios to match local distribution requirements, ensuring seamless integration whether you are stepping down from 12kV or 35kV.
Accuracy Standards: Metering vs. Protection
The core function of a PT defines its required accuracy class. We manufacture dual-purpose units that can handle both tasks simultaneously, but understanding the difference is key:
Metering (Revenue): For billing purposes, precision is non-negotiable. Our accuracy class 0.2 PT and class 0.5 units ensure that the voltage reading sent to the meter is within 0.2% or 0.5% of the actual primary voltage. This prevents revenue loss for utilities.
Protection (Relaying): Protective relays don’t need extreme precision during normal operation; they need reliability during a fault. We supply class 3P and 6P windings that maintain saturation characteristics during overvoltage events, ensuring your relays trip correctly when a fault occurs.
Compliance and Load Ratings
We manufacture our equipment to meet global benchmarks, including IEC 61869 potential transformer standards and IEEE C57.13 voltage transformer requirements for the North American market. Beyond standards, paying attention to the rated burden (measured in VA) is essential. The burden must exceed the total power consumption of all connected meters and relays to maintain accuracy.
For compact switchgear designs, we often integrate these transformers alongside a C-GIS Vacuum Circuit Breaker to save space while maintaining full isolation capabilities.
Key Technical Parameters:
| Feature | Specification Details |
|---|---|
| Voltage Classes | 3.6kV, 7.2kV, 12kV, 24kV, 35kV (Customizable) |
| Accuracy Classes | 0.2, 0.2S, 0.5 (Metering) / 3P, 6P (Protection) |
| Rated Burden | 10VA – 500VA (Depending on application) |
| Insulation | Dry-type Epoxy Resin (Maintenance-free) |
| Standards | IEC 61869-3, GB/T 20840, ANSI/IEEE C57.13 |
| Configuration | Single or Dual Secondary Windings |
Dual-Secondary Windings
To maximize efficiency, we frequently supply metering and protection transformer designs with dual secondary windings. This allows a single physical unit to drive revenue meters on one winding (high accuracy) and protective relays on a second winding (high saturation point), reducing the total equipment footprint in the substation.
Types of Medium Voltage Voltage Transformers

We categorize our potential transformers based on installation environment, insulation structure, and connection type to match specific grid requirements. Whether you are outfitting a compact industrial substation or a utility pole line, selecting the right configuration ensures longevity and measurement accuracy.
Indoor Potential Transformers for Switchgear
Our indoor models, such as the JDZX10 series, are engineered specifically for metal-clad switchgear environments like KYN28 cabinets. These units feature a compact, fully enclosed epoxy resin design that fits tight spaces while maintaining high dielectric strength. They are frequently integrated into a ZGS integrated transformer substation to provide precise metering data within the protected enclosure. Since indoor environments are controlled, we focus heavily on minimizing the footprint and ensuring thermal stability within the cabinet.
Outdoor Voltage Transformers
For external grid applications, we deploy outdoor voltage transformers like the JDZX9 series. These units utilize cycloaliphatic epoxy resin (CEP), which offers superior resistance to UV radiation, moisture, and pollution flashovers. Unlike indoor models, these must withstand harsh weather conditions ranging from freezing rain to scorching heat without degrading the insulation. They are commonly used for pole-mounted metering and overhead line monitoring at voltage classes like 11kV and 33kV.
Electromagnetic vs. Capacitive Designs
Electromagnetic Voltage Transformers: This is the standard technology for the medium voltage range (3.6kV to 35kV). They operate on the same induction principle as power transformers and offer high accuracy (Class 0.2) for revenue metering.
Capacitive Voltage Transformers (CVT): While typically used at high voltages (above 69kV), CVTs are sometimes employed at the upper end of the medium voltage spectrum for carrier communication (PLCC) capabilities, though electromagnetic types remain the dominant choice for standard distribution.
Single-Pole vs. Double-Pole Insulation
Single-Pole Insulated (Grounded): Connects between one phase and the ground. These are essential for measuring phase-to-ground voltages and detecting earth faults.
Double-Pole Insulated (Un-grounded): Connects between two phases (line-to-line). These are typically used for powering control power transformers (CPT) or specific metering configurations where a neutral reference isn’t required.
Common Applications in Modern Power Systems

At Weisho Elec, we see our medium voltage potential transformers deployed wherever precise voltage monitoring is non-negotiable. From municipal grids to remote industrial sites, these units serve as the critical interface between high-voltage lines and sensitive control equipment. Our dry-type designs are engineered to handle the diverse demands of the US market, ensuring reliability across four key sectors.
Utility Substations and Grid Monitoring
In distribution substations, our PTs provide the real-time data needed for SCADA systems. They step down primary voltages (typically 11kV to 35kV) to safe, standardized levels like 110V. This allows operators to monitor grid stability without direct exposure to dangerous primary voltages. These transformers are frequently integrated into switchgear lineups alongside vacuum circuit breakers for diverse applications, forming a complete protection and monitoring scheme that isolates faults instantly.
Integration with Renewable Energy
Wind and solar farms rely heavily on our outdoor potential transformers (such as the JDZX9 series). Since renewable collection grids often operate at 35kV, they require robust insulation to handle UV exposure and humidity while delivering Class 0.2 accuracy. Accurate billing at the grid interconnection point is vital for the financial viability of these projects, making high-precision metering and protection transformers a standard requirement.
Industrial Mining and Manufacturing
Heavy industries, including mining operations and large manufacturing plants, utilize our medium voltage instrument transformers to protect expensive motor loads and distribution networks. The cast resin design is particularly valued in these rugged environments because it resists vibration, dust, and moisture better than traditional oil-filled units. By providing accurate voltage inputs to protection relays, we help prevent motor burnout during undervoltage or overvoltage events.
Revenue Metering and Protective Relaying
Our units are often dual-purpose, featuring multiple secondary windings to handle distinct tasks simultaneously:
Revenue Metering: We supply high-accuracy windings (Class 0.2 or 0.2S) to ensure utility companies and industrial consumers are billed exactly for the energy consumed.
Protective Relaying: For safety, the same medium voltage potential transformer includes protection windings (Class 3P or 6P). These are designed to maintain accuracy even during fault conditions, ensuring breakers trip correctly to prevent catastrophic equipment damage.
How to Select the Right Medium Voltage PT

Selecting the correct medium voltage potential transformer isn’t just about picking a catalog number; it is about ensuring the specifications align perfectly with your grid conditions and safety requirements. Whether you are upgrading a utility substation or fitting out a new industrial facility, getting the details right prevents system failures and ensures accurate billing.
Determining Primary and Secondary Voltage Ratios
First, you must match the primary voltage to your system line voltage. In the US market, this often involves standard ratings like 12.47kV, 13.8kV, or 34.5kV. The secondary voltage typically steps down to 110V or 120V to match standard meters and relays. If the voltage ratio is incorrect, your downstream readings will be useless, leading to operational errors.
Matching Accuracy Class to Application
Not all transformers perform the same function. You need to clearly define if the unit is intended for revenue metering or protective relaying.
Metering (Class 0.2 or 0.5): Essential for billing purposes where high precision is non-negotiable.
Protection (Class 3P or 6P): Designed to maintain performance during fault conditions to trigger safety mechanisms reliable.
Evaluating Indoor vs. Outdoor Requirements
The operating environment dictates the physical design. An indoor potential transformer is typically compact, engineered to fit inside metal-clad switchgear panels. When designing these systems, reviewing a solid insulated switchgear vs vacuum circuit breaker guide can help you select compatible components that fit within tight spatial constraints. Conversely, an outdoor voltage transformer requires robust cycloaliphatic epoxy resin casting to withstand UV exposure, rain, and heavy pollution without tracking.
Considering Burden and Ferroresonance
Do not overlook the burden rating. This represents the total load (in VA) of all connected meters and relays. If you exceed the rated burden, the accuracy class is no longer guaranteed. We also advise evaluating the risk of ferroresonance, a phenomenon that can destroy PTs in isolated neutral systems. We can assist in selecting designs with damping capabilities to mitigate this risk.
Lead Times and Customization at WEISHO
At WEISHO, we understand that construction schedules are tight. We offer flexible customization for cast resin potential transformers, including dual-ratio designs and specific creepage distances for high-pollution areas. By managing our own manufacturing lines, we keep lead times short to ensure your project stays on track.
Installation and Testing Best Practices
Getting the most out of a medium voltage potential transformer starts with correct installation and rigorous testing. At Weisho, we engineer our units for durability, but following standard protocols ensures safety and accuracy for the lifespan of the equipment.
Proper Grounding Requirements
Safety is non-negotiable when dealing with medium voltage. The secondary circuit of the potential transformer must be grounded at one point. This prevents high static potentials and ensures that if the insulation between the primary and secondary windings ever fails, the high voltage doesn’t jump to the low-voltage metering circuits. When integrating these units into systems like our KYN61-40.5 metal-enclosed switchgear, verify that the grounding connection is tight and follows local electrical codes.
Essential Testing Procedures
Before energizing the system, we recommend a few standard checks to verify performance:
Insulation Resistance: Use a megohmmeter (Megger) to test the insulation resistance between the primary winding and ground, as well as between secondary windings and ground. This confirms the dielectric strength of the epoxy resin voltage transformer.
Ratio Verification: Apply a known voltage to the primary side and measure the output on the secondary side. This confirms the transformer is stepping down voltage correctly (e.g., 11kV to 110V) according to its nameplate.
Polarity Check: Ensure the polarity matches your metering setup. Incorrect polarity can lead to negative power readings or relay malfunctions.
Partial Discharge and Maintenance
Our cast resin potential transformers are designed to be virtually maintenance-free. The solid insulation eliminates the risk of oil leaks common in older models. However, for critical applications, we conduct partial discharge tests (aiming for ≤10pC) to ensure there are no air voids inside the casting that could lead to premature failure.
Once installed, field maintenance is minimal. Since these are dry-type units, you primarily need to keep the surface clean. Periodically wiping away dust and contaminants from the insulation body prevents tracking and ensures the unit handles environmental stress effectively.
FAQs About Medium Voltage Potential Transformers
We get a lot of questions from facility managers and engineers regarding the specifics of instrument transformers. Here are the answers to the most common inquiries we receive about medium voltage potential transformers.
What is the difference between a PT and a VT?
honestly, there is no technical difference. It comes down to terminology and regional habits. In the United States, we have traditionally used the term Potential Transformer (PT). However, the international community and newer standards (like IEC) prefer Voltage Transformer (VT). Whether you see a spec sheet for a medium voltage VT or a PT, you are looking at the same device designed to step down voltage for metering and control.
How often do cast resin PTs need maintenance?
One of the biggest selling points of a cast resin potential transformer is that it is essentially maintenance-free. Unlike oil-filled units that require regular oil sampling and leak inspections, epoxy resin voltage transformers are solid-state.
Routine Check: A simple visual inspection for dust accumulation or physical damage.
Cleaning: Wiping down the surface during scheduled switchgear shutdowns.
Testing: Periodic insulation resistance tests (Megger) every few years.
Can medium voltage PTs be used for both metering and protection?
Yes, absolutely. A metering and protection transformer is often designed with dual secondary windings to handle both tasks simultaneously.
1. Winding 1 (Metering): Designed for high accuracy (e.g., class 0.2) at normal operating voltages to ensure precise billing.
2. Winding 2 (Protection): Designed to maintain performance during fault conditions without saturating, ensuring relays trip correctly.
What does an accuracy class 0.2 mean in a potential transformer?
An accuracy class 0.2 PT is a high-precision unit used primarily for revenue metering. This designation means the transformer has a maximum ratio error of +/- 0.2% at its rated voltage.
Application: Utility billing and energy transfer points.
Why it matters: Even a small percentage error can result in significant financial loss over time.
To ensure this level of precision, we carefully manage internal factors. Understanding what is exciting current in transformer designs is crucial, as minimizing these losses directly impacts the accuracy class and overall performance of the unit.

















