ZW32-12MF/630A 12KV Outdoor Permanent Magnet smart VCB
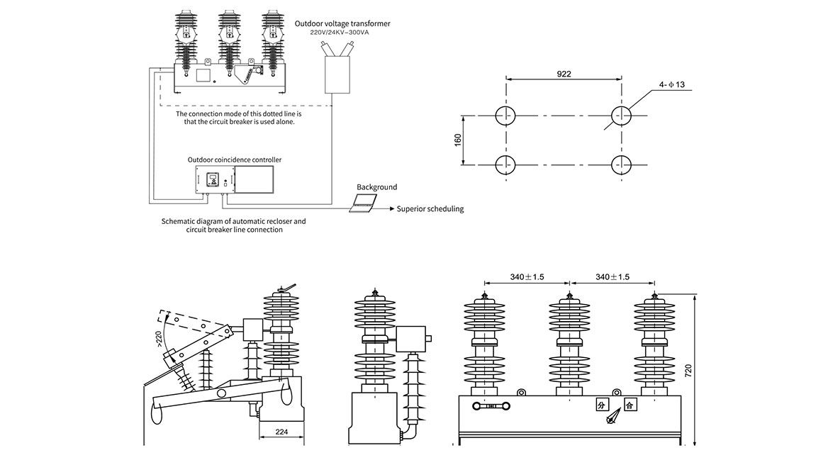
The ZW32-12MF is a 12kV smart automatic recloser designed for medium-voltage overhead distribution networks. By integrating current transformers (CTs), an intelligent controller, and optional zero-sequence protection, it serves as an ideal solution for ensuring reliable operation in feeder automation, rural substations, and boundary metering points. This device can quickly isolate faults, reduce outage areas, and effectively enhance grid automation.
Product Overview & Key Advantages
At its core, the ZW32-12MF features a premium, one-piece molded high-quality vacuum interrupter that is twice the size of standard vacuum interrupters. This design gives the breaker superior characteristics such as a large breaking capacity, long contact life, and a high number of permissible operations. The device is equipped with an electric operating mechanism and an intelligent electronic control unit, enabling remote monitoring, fault detection, and auto-reclosing.
Robust Sealed Design: Engineered to withstand severe outdoor conditions, guaranteeing long-term stable performance in humid, dusty, and tropical climates.
Integrated Intelligence: Built-in CTs and zero-sequence protection allow for seamless integration into distribution automation systems.
System Compatibility: Fully compatible with FTU/DTU or SCADA systems for remote control and data transmission.
Exceptional Performance: Rated for 12kV, 630A, with a breaking capacity of up to 25kA and a mechanical life of over 10,000 operations.
Flexible Configuration: Supports up to 3 configurable auto-reclose cycles, further improving power supply continuity.




Technical & Professional Details
Core Components & Craftsmanship Analysis
We understand that outstanding performance comes from an obsession with detail. The ZW32-12MF utilizes a series of unique designs and high-quality materials to ensure every component meets the highest standards.
Premium Insulation Material: We use premium-grade silicone material, rejecting the use of recycled or inferior materials to ensure reliable insulation from the source.
High-Purity Copper Disconnecting Blade: The isolating blade is 2.8MM thick, far exceeding the industry standard of 2.0MM, guaranteeing high strength and safety. The operating handle is also made from premium material for a solid and reliable feel.
Stainless Steel Housing: The enclosure is made of 301 stainless steel, which has excellent ductility, anti-oxidation properties, and weldability, effectively resisting external corrosion.
Operating Mechanism: We strictly use brand-new, authentic aviation connectors, rejecting refurbished parts to ensure stable and reliable electrical connections.
Intelligent Controller: The controller has multiple built-in circuit boards, each with a dedicated function. It also features a built-in transformer to stabilize voltage and significantly extend its service life.
Technical Specifications
Applications
Medium-Voltage Feeders: Provides reliable protection for 10–12kV overhead lines.
Transformer Protection: Serves as the primary protection switch for pole-mounted transformers.
Rural Grids: Enables precise control in rural and remote areas.
Loop Networks: Function as a tie switch point in loop networks for rapid fault location and isolation.
Distribution Automation Systems: Seamlessly integrates with DTU/FTU units, serving as the cornerstone for building smart grids.

Case Study: Smart Grid Deployment in Kenya (2022)
In 2022, we participated in a World Bank-funded smart distribution project in Kenya, deploying over 600 ZW32-12MF reclosers across the rural grid. The results were outstanding:
Fault Isolation Accuracy was improved by 70%, significantly reducing the area of power outages.
Real-time fault reporting was enabled via the DTU-GPRS module.
Maintenance frequency was reduced by 40%, leading to significant savings on operational costs.
Installation and Operation Guide
To install, securely mount the breaker on a concrete or steel pole using U-bolts. Connect the incoming and outgoing lines via bimetallic terminals. Connect the controller with CT and zero-sequence cables. Before commissioning, set the protection logic via a handheld device or SCADA system and perform local or remote open/close tests.
Frequently Asked Questions (FAQ)
What's the difference between ZW32 and ZW32-12MF?
The ZW32-12MF is a more functional and upgraded model that has built-in measurement and control features, including CTs and auto-reclosing logic.
Can it work with solar or wind power systems?
Yes. It is frequently used on renewable energy feeder lines to protect and monitor distributed generation.
How is its weatherproof performance?
The ZW32-12MF uses solid-sealed epoxy insulation, making it ideal for tropical, dusty, and humid regions with excellent all-weather performance.
How many times can it auto-reclose?
The number of reclose cycles can be flexibly configured via the controller, with a maximum of 3 cycles.
What communication protocols are supported?
It supports Modbus, IEC 60870-5-101/104, as well as optional GPRS or fiber communication.
Get a Quote, Drawings, or Technical Support
Looking for wiring diagrams, controller specifications, or the latest price list? We're ready to assist you.
Engineer: Thor
Company: Wei Shoe Elec
Phone: +86-0577-62788197
WhatsApp: +86 159 5777 0984
Email: thor@weishoelec.com
We support OEM branding, short lead times, and international project delivery.












