GN19-12/1250 Indoor Horizontal Isolator Switch
🧩 Compact Form, Trusted Safety – For Efficient Indoor Isolation in MV Networks
The GN19-12/1250 horizontal-mounted indoor isolator switch is specifically designed for 12kV indoor medium voltage switchgear systems where space-saving installation and reliable mechanical isolation are required. It features a robust horizontal knife-blade structure, suitable for manual or motorized operation in industrial and utility substations.
This unit complies with GB/T 1985 and IEC 62271-102, ensuring secure disconnection during maintenance, inspection, or emergency isolation.
📊 Technical Specifications
| Parameter | Specification |
|---|---|
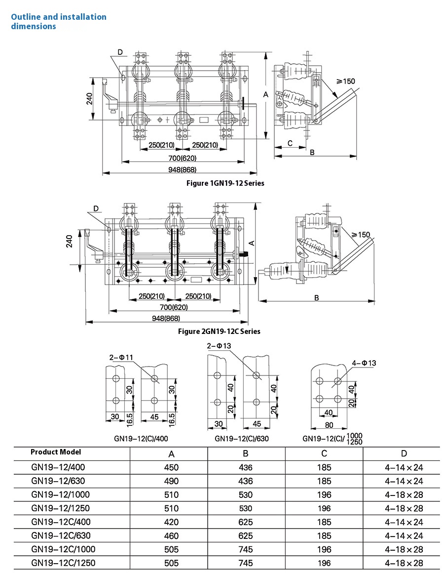
| Model | GN19-12/1250 |
| Rated Voltage | 12 kV |
| Rated Current | 1250 A |
| Rated Short-time Withstand Current (4s) | 31.5 kA |
| Peak Withstand Current | 80 kA |
| Insulation Level | 42 kV (1 min), 75 kV (impulse) |
| Operating Mechanism | Manual / Electric Optional |
| Mounting | Horizontal Fixed |
| Phases | 3-pole |
| Conformity Standard | IEC 62271-102, GB/T 1985 |


✅ Key Features
Horizontal Blade Design: Compact footprint for cabinet-mounted applications.
Double Break Contacts: Enhances arc quenching and visible break.
Silver-Plated Contacts: Corrosion-resistant, low contact resistance.
Modular Assembly: Easy replacement and servicing of contact parts.
Mechanism Options: Compatible with CS6 manual handle or electric actuator.
🏭 Recommended Applications
Indoor medium-voltage switchgear panels
Factory distribution substations
Commercial building electrical rooms
Industrial automation control rooms
Backup isolation for transformer bays
🌐 Client Feedback from MV Panel Builders and OEMs
🔹 Emily K., Panel Integration Manager – ABB Australia
“We use the GN19-12/1250 switch in our indoor cubicles. Its horizontal layout simplifies busbar routing while saving panel depth.”
🔹 Thomas N., Substation Engineer – Hydro One, Canada
“The Isolatorswitch operates smoothly and has performed reliably during our yearly test cycles. Assembly is straightforward.”
🔹 Michael P., OEM Electrical Contractor – Ireland
“Excellent price-performance ratio. We especially appreciate the clean internal layout enabled by the horizontal knife design.”
🔹 Andrew C., Grid Technician – UK Power Networks
“It fits well into compact panel spaces, and we’ve had no maintenance issues in the past 2 years.”
🔹 Sara M., Equipment Quality Inspector – Enel, Italy
“The switch is built to spec and passed all acceptance testing. Good contact strength and spring tension.”
❓ Frequently Asked Questions
• Is GN19-12/1250 suitable for motorized operation?
Yes, it can be configured with an electric actuator for remote control.
• Does this model provide visible isolation?
Yes, the knife contact design ensures a visible air gap when open.
• Can it be mounted in narrow switchgear compartments?
Its horizontal layout is optimized for compact panels.
• What standards does it comply with?
It meets IEC 62271-102 and GB/T 1985 for Isolator switches.
• What is the rated insulation level?
The switch withstands 42kV (power frequency) and 75kV (impulse) conditions.
📞 Contact the Technical Team for Customization or Drawings
Thor – Electrical Engineer, Wei Shoe Elec
📞 Tel: +86-0577-62788197
📱 WhatsApp: +86 159 5777 0984
📧 Email: thor@weishoelec.com
Need reliable medium-voltage isolation with a compact profile? The GN19-12/1250 Isolator switch is your proven solution—engineered for modern switchgear installations.











