MRDG-15F/200 15kV Drop-Out Fuse for Outdoor Transformers
Product Overview

The MRDG-15F/200 drop-out fuse is a robust and reliable overcurrent protection device engineered for 15kV overhead distribution transformers. Designed for harsh outdoor conditions, it combines precision arc interruption with a weather-resistant structure to ensure safe operation across rural and urban distribution networks.
With full compliance to IEC 60282-2 standards, the MRDG-15F fuse provides visible circuit isolation, making it ideal for transformer protection, fault clearing, and line switching operations. It’s widely used by utility companies across Southeast Asia, South America, and Africa.
Key Features
Rated voltage: 15kV
Current rating: 100–200A
Breaking capacity: up to 12.5kA
Standard compliance: IEC 60282-2
Application: Overhead transformers, branch lines, lateral protection
Installation: Pole-mounted, vertically/horizontally adaptable
Fuse link type: Replaceable expulsion-type
Material: Porcelain or silicone rubber insulator, copper contact blades
Typical Applications
The MRDG-15F is tailored for outdoor installations requiring durable and fail-safe protection in the following environments:
Pole-mounted transformers in 15kV distribution networks
Rural substations and farm electrification projects
Line-tap points needing manual isolation and fuse protection
Critical infrastructure, such as water pumping stations or telecom towers
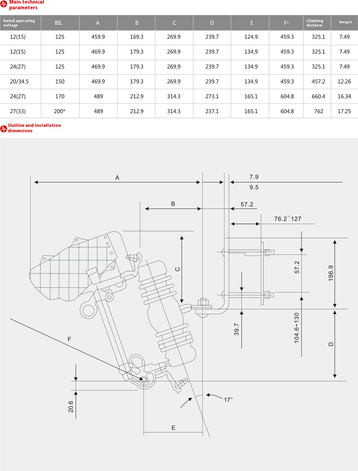
Technical Specifications
| Parameter | Value |
|---|---|
| Rated Voltage | 15kV |
| Rated Current | 100A / 125A / 200A |
| Breaking Capacity | 12.5kA |
| Insulation Level | 95kV BIL |
| Operating Temperature Range | -40°C to +60°C |
| Mounting Angle | 0° to 90° |
| Fuse Link Type | Expulsion-type, interchangeable |
| Compliance Standard | IEC 60282-2 / GB 15166.3 |

Installation Guide
Installing the MRDG-15F is simple and safe, provided proper PPE and grounding procedures are followed:
1. Disconnect upstream power and verify zero voltage.
2. Mount the fuse holder on a cross-arm or steel bracket.
3. Connect the upper terminal to the incoming conductor.
4. Attach the transformer tail to the lower terminal.
5. Insert the fuse link, ensuring firm contact with the clips.
6. Verify the mechanical drop-open function by simulating a fault.
For best results, use torque-rated fasteners and follow your local utility’s clearance protocols.
Compliance and Testing
All MRDG-15F drop-out fuses undergo routine testing as per:
IEC 60282-2: High-voltage fuses – Expulsion type
GB 15166.3: National Standard for HV drop-out fuses
Test reports and quality certifications are available upon request.
Real-World Feedback
“We replaced several older models with MRDG-15F fuses in our 15kV network in Córdoba, Argentina. The results were excellent—improved reliability, fewer unplanned outages.”
— Carlos D., Maintenance Engineer, Cooperativa Eléctrica Córdoba
“Easy to install and visibly reliable. Our field teams prefer MRDG-15F over others because of its consistent tripping performance.”
— James M., Distribution Manager, Arizona Co-op, USA
Frequently Asked Questions (FAQ)
• Is the MRDG-15F compatible with US pole hardware?
Yes. It fits standard NEMA pole-mount brackets and ANSI cross-arm hardware.
• What fuse links can be used with this model?
We recommend using standard expulsion-type fuse links rated for 15kV systems.
• Can the insulator be customized to polymer?
Yes. Silicone rubber options are available for areas with high pollution or salt fog.
• How often should the fuse link be replaced?
Routine inspection is advised annually. Fuse links must be replaced after fault operations.
• Does it require any special maintenance?
Other than periodic visual inspection and cleaning, the unit is maintenance-free.
Contact Our Engineer
Need support with selection or replacement for your 15kV fuse system?
Contact Thor, Electrical Engineer at Wei Shoe Electric.
📞 Phone: +86-0577-62788197
📱 WhatsApp: +86 159 5777 0984
✉️ Email: thor@weishoelec.com












